Zurück zur Übersicht

Alfa Laval

Alfa Laval Alrox Lacta DC-750EC

Sortiment
Andere Maschinen
Kategorie
Entgaser
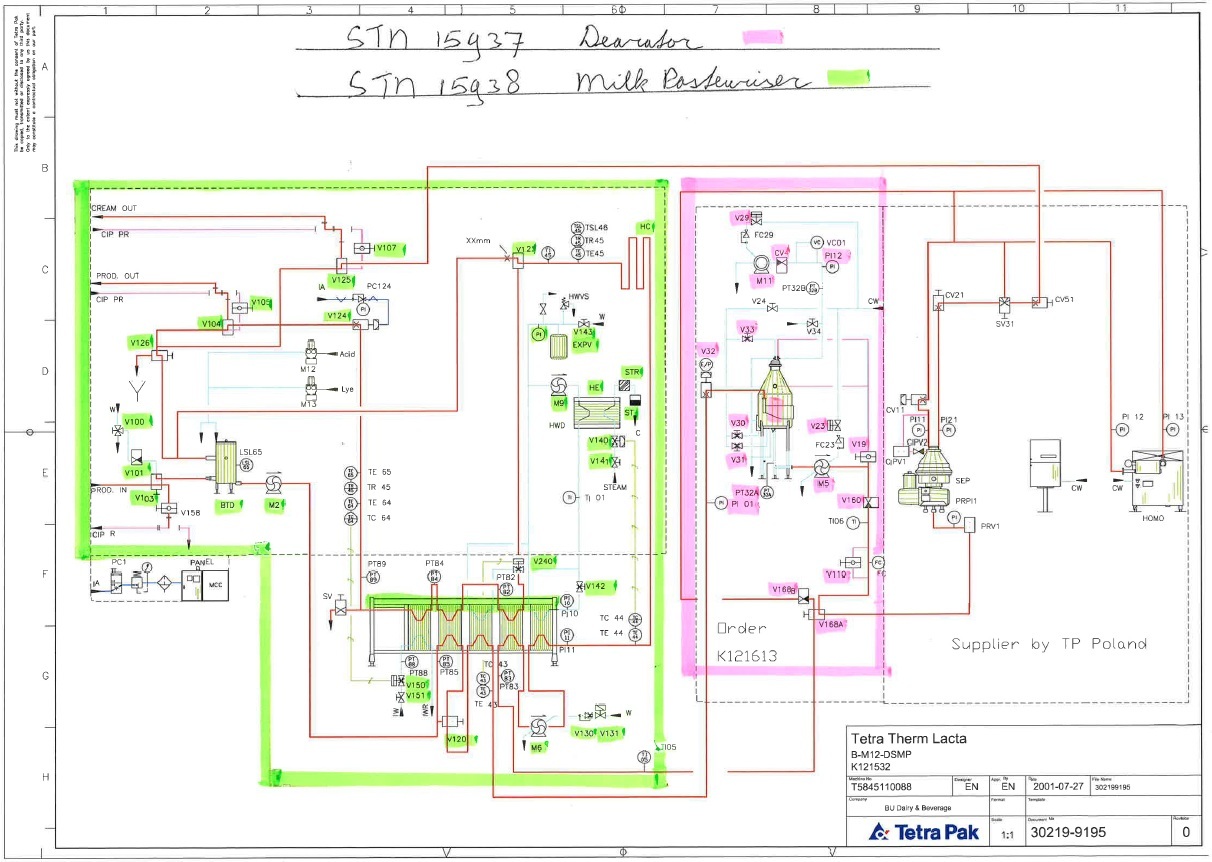
Lagernummer
STN15937
Typ
Alrox Lacta DC-750EC
Baujahr
2001
Kapazität
12.000
Vacuum dearator, skid mounted. Tank with Tangitial (side) inlet, partly double jacketed, vacuum pump, manometer, vacuum control valve (manual), infeed control valve (now set at 12,000/h) adjustable, double condenser: internal icewater cooled spiral heatexchanger in top of the deaerator for condens and flavour recovery, outfeed pump model: Tetra LKH-25/190 FSS (serial no. 036472 - bj 2001 - 7,5 kW - Ø 190 mm) - flushed seal. Capacity range deaerator unit: 8,000 to 20,000ltr/h. P&ID available. Documentation (electrical diagram and component details) included. Total dimensions: 270x205x420 (lxwxh) - weight: 605 kg.

Kann LDFE mir bei der Installation helfen?

Ja, auf Wunsch können unsere Mechaniker die Geräte bei Ihnen vor Ort installieren. Darüber hinaus können wir Hilfe aus der Ferne anbieten, indem wir Anweisungen per Videoanruf oder Fernbedienung (sofern installiert) geben.

Was bedeuten die Zustände „überholt“, „in gutem Zustand“ und „wie besehen“?

Wir können unsere Maschinen in drei Zuständen anbieten: „überholt“, „in gutem Zustand“ und „wie besehen“. „Refurbished“ bezieht sich auf die vollständige Überarbeitung einer gebrauchten Maschine, um ihr ein zweites Leben zu geben. Unser Standardverfahren bei der Komplettüberholung einer Gebrauchtmaschine ist:

  • Bis zum Rahmen abtragen: Strahlen und Spritzen von Stahlbauteilen
  • Verschleiß aller Komponenten: Austausch von Lagern, Buchsen und Dichtungen
  • Austausch beschädigter oder verschlissener Komponenten
  • Neue Verkabelungs- und Steuerungssysteme (neueste Updates)
  • 6 Monate Garantie
  • Garantierte Ersatzteilversorgung für 5 Jahre
  • Optional: Betreuung der Inbetriebnahme und Bedienerschulung
  • Optional: CE-Kennzeichnung
  • Optional: individuelle Modifikationen

Der Kauf einer „gut laufenden“ Maschine ist eine günstigere Lösung. In diesem Zustand überholen wir die Maschine nicht komplett, sondern führen die notwendigen Arbeiten durch, um die Maschine in einen betriebsbereiten Zustand zu versetzen. Die Maschine wird in unserer Werkstatt getestet und Komponenten werden nur bei Bedarf ausgetauscht. Dieser Preis ist immer an Bedingungen geknüpft, da sich bei den Tests gelegentlich herausstellt, dass ein teurer Fehler vorliegt. Ist dies der Fall, erhält der Käufer ein Angebot über die Mehrkosten und erhält zusätzlich die Möglichkeit, vom Kauf zurückzutreten.

Maschinen werden fast immer ab Werk verkauft und können in demselben Zustand eingesetzt werden, in dem wir sie gekauft haben: „wie sie sind“. Allerdings wurde die Maschine von uns nicht geprüft und es besteht keine Garantie für den aktuellen Zustand. Wir empfehlen immer, eine Maschine vor dem Kauf zu überprüfen und nur dann „wie sie ist“ zu kaufen, wenn Sie über gründliche Maschinenkenntnisse verfügen. Wir können Ihnen jederzeit sagen, ob wir die Maschine im betriebsbereiten Zustand gekauft haben oder ob sie bereits außer Betrieb genommen wurde. Die Dokumentation ist nicht immer im Lieferumfang enthalten und kann nur geliefert werden, wenn sie zum Zeitpunkt des Kaufs vorhanden war.

Kann ich Gebrauchtmaschinen vertrauen?

Wir beschäftigen uns seit 1996 mit Gebrauchtmaschinen am selben Ort, an dem wir unser Unternehmen gegründet haben, und sind jedes Jahr gewachsen. Sollte ein (kleines) Problem auftreten, versuchen wir auch gemeinsam mit unseren Kunden eine Lösung zu finden. Aufgrund unserer Erfahrung mit Gebrauchtmaschinen waren wir stets ein zuverlässiger Partner.

Kann LDFE auch Neumaschinen anbieten?

Ja, insbesondere Prozessanlagen wie Pasteurisieranlagen, Standardisierungsanlagen, CIP-Anlagen, Käse-UHT-Anlage etc. Auch eine Mischform aus Neu- und Umbau ist möglich.

Kontaktiere uns!

Kontaktdetails

+31(0)348-558080
info@lekkerkerker.nl

Adresse

Handelsweg 4
3411 NZ Lopik, The Netherlands

Öffnungszeiten

Mo-Do: 07.30 - 17.00 UTC+1
Fr: 07.30 - 16.30 UTC+1